駐極體傳聲器咪頭的電流阻抗通用指標
駐極體傳聲器咪頭的電流阻抗通用指標
駐極體傳聲器(咪頭)的電流于阻抗的通用指標:
駐極體傳聲器傳聲器(咪頭)靈敏度(感度)電流與阻抗通用指標
電流與阻抗
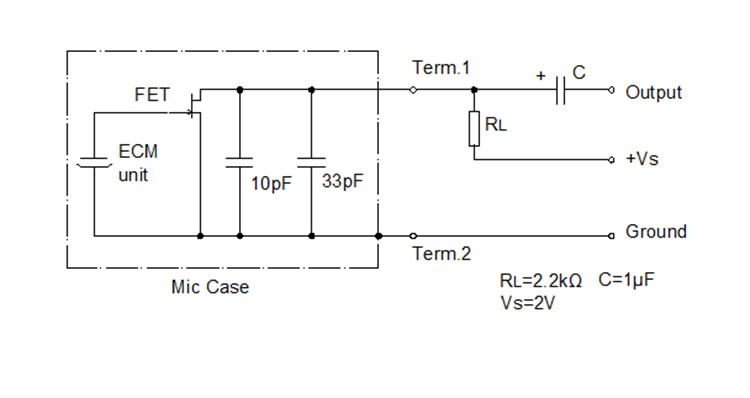
咪頭內部有一個場效應三極管,其作用是阻抗轉換和信號放大,所以咪頭工作必須要加一個直流電壓,可在1.5--6v之間選擇。咪頭的電流值正常情況下取決于FET(場效管)的電流值。一般在0.15--0.5mA之間。在這里,FET是一個恒流源,當咪頭的外加電壓、電阻變化時電流值基本不變。因此,我們可以認為咪頭的電流值就是FET的電流值。FET電流值與自身的放大增益指標即跨導(相當于晶體管的放大倍數)、自身的阻抗值有關。一般認為:在一定的范圍內,咪頭的正常電流值越大、阻抗也就越低、放大能力就越高、咪頭的靈敏度也就越高。

咪頭的阻抗生產廠家一般標定為:2.2k,事實上,咪頭的阻抗是個范圍值,而不是點值。實踐中咪頭的阻抗在700歐姆---3000歐姆之間,不少用戶用萬用表測阻抗其實是不對的,萬用表測得的只是咪頭FET的直流電阻。
咪頭的阻抗值不僅影響到咪頭本身的靈敏度,更重要的是影響到使用咪頭的電器的指標,就是說,咪頭的輸出阻抗一定要與使用咪頭的電器的放大器的輸入阻抗匹配,才能獲得最大傳聲增益。
深圳市澳士堡是日本AOI電機制作所在中國興辦的專業生產駐極體傳聲器的獨資企業。主要生產經營的產品有,各個類型的咪頭、咪芯、喇叭、傳聲器、拾音器等等,并堅持按照客戶的意愿,定制最適合客戶產品的咪頭、咪芯。澳士堡作為咪頭行業生產銷售的一個前沿公司,一直秉承著,質量是品牌的基礎,用質量去回報客戶的信任!

